欢迎访问上海资恒装饰材料有限公司
网站首页 网站地图 联系方式
上海资恒装饰材料有限公司

客户服务热线

13321875207

  • 网站首页
  • 关于公司
  • 新闻资讯
  • 公司产品
  • 工程案例
  • 规划设计
  • 技术支持
  • 联系方式
  • 在线留言
公司产品
  • 实验台系列
    • PP系列
    • 全钢系列
    • 全不锈钢系列
    • 全木系列
    • 钢木系列
    • 其它系列
    • 铝木系列
  • 通风柜系列
    • PP通风柜
    • 全钢通风柜
    • 全不锈钢通风柜
    • 钢木通风柜
    • 铝木通风柜
    • 其它材质通风柜
  • 安全柜系列
  • 柜体系列
    • 气瓶柜
    • 药品柜
    • 试剂柜
    • 器皿柜
    • 更衣柜
    • 文件柜
  • 实验室相关配件
    • 实验室台面系列
    • 实验室专用化验龙头
    • 实验室专用气体考克
    • 实验室专用水槽/杯槽
    • 试剂架
    • 实验室专用洗眼器/紧急冲淋
    • 实验室专用椅/凳
  • 实验室常规设备
  • 实验室系统工程
    • 通风系统
    • 供气系统
    • 风淋工程
    • 洁净工程
    • 纯水系统
    • 废气废水处理系统
    • 装饰装修工程
  • 实验室台面
    • 陶瓷台面
    • 抗倍特台面
    • 环氧树脂台面
    • 理化板台面
  • 板材系列
热门产品
理化板
抗倍特板
六角台1
四孔通风学生台面
环氧树脂板
物理板
六角台3
六角台2
联系我们

地址:上海市青浦区赵屯镇兴利路481号

电话:021-59217295 59217210 59217143 59217691

传真:021-59217326

邮件:shzh_2009@yahoo.cn

网站:http://www.sh-ziheng.com

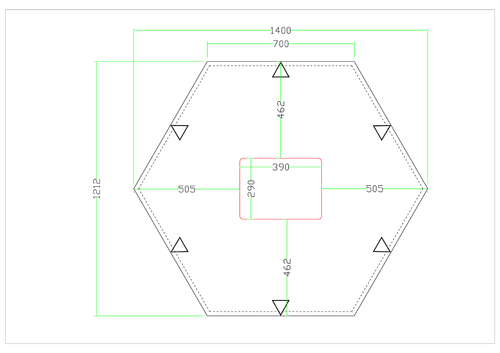
你的位置:首页 > 公司产品 > 实验室台面 > 理化板台面

六角台3

更新:2016/11/27 22:45:48      点击:
  • 品牌:   
  • 型号:   对角1200MM/1400MM/1500MM
  • 在线订购
产品介绍

图纸仅供参考,如有特殊要求请来电来函联系!

更多产品
六角台1
六角台2
带水讲台
四孔通风学生台面
QRCode

网站首页 | 关于我们 | 人才招聘 | 网站地图 | 订阅RSS

Copyright 2016 上海资恒装饰材料有限公司 版权所有 All Rights Reserved

Built By 51Bosso 沪ICP备19044608号-1 图片说明

更多